Meltblown Fabric Production Line
Machine Description of Meltblown Fabric Production Line:
Product


USE Range

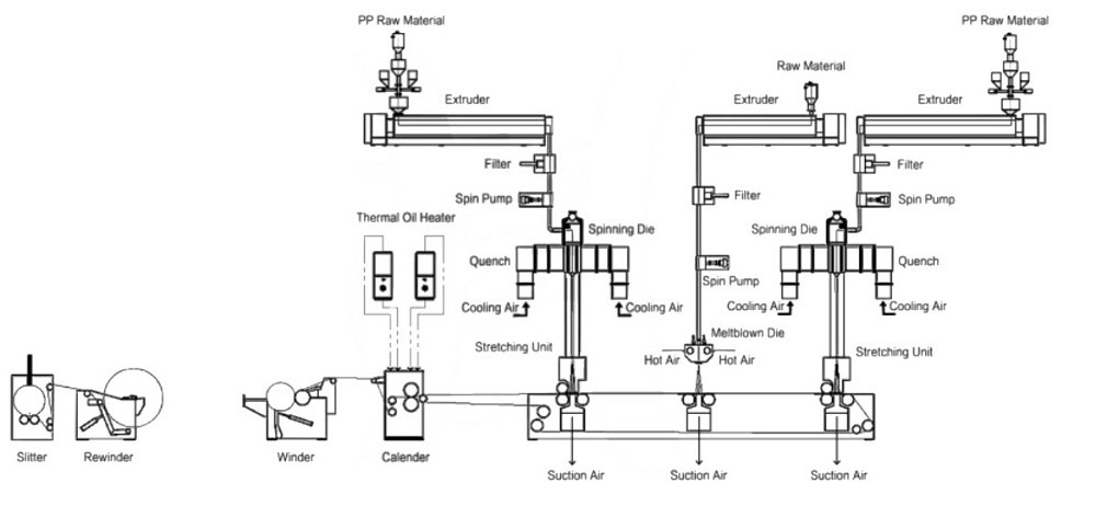
Schematic Diagram of meltblown fabric making machine:

Characteristics of Meltblown Fabric Production Line:
Product model | DCWS-1600SMS | DCWS2400SMS | DCWS-3200SMS | DCWS-4200SMS |
Die number | SS:2+M:1 | |||
Filament number | 1.5-2.5d /2-55um | |||
Gram weight range | 10-100 g/sq.m | |||
Maximum operating speed | 500 m/min | |||
Effective wide | 1600mm | 2400mm | 3200mm | 4200mm |
The daily production capacity | 11000Kgs | 16000Kgs | 20000Kgs | 28000Kgs |
Technical Data of Meltblown Production Line:
NO. | Item | Index |
1 | Raw material | Polypropylene chips (Melt index: 20-40g/10min, with variation not more than 1% for each batch; Melt point: 165℃; Ash content: ≤ 0.15-0.25% |
2 | Width of finished fabric | 3200mm |
3 | Single filament titer | 1.5-2.5 denier |
4 | Daily output | 20MT/Day based on 40gsm |
5 | Web weight | 9-120 g/m2 |
6 | GSM Variation | CV (Coefficient Variation) value less than 6 % |
7 | Extruder size | φ170×30:1 |
8 | Process speed | 10~350m/min |
9 | Mechanical Speed | 10~400m/min |
10 | Power requirement | Loading 2200kva Actually 1760kva |
11 | Space requirement | 40*28*12m |
12 | No. Of S spin beams | 2set |
13 | No. of M spin beams | 1 set |
Main Equipment for Spunbond Section
No | Item/BRAND | Quantity |
1 | 1+3 Volumetric dosing hopper | 2set |
2 | Suction, dosing and mixing device | 2set |
3 | 170mm Main extruder | 2set |
4 | Co- extruder | 2set |
5 | Candle Style filter | 2set |
6 | 300cc Metering pump | 2set |
7 | Spinning machine | 2set |
8 | Spinneret plate | 4set |
9 | Filament quenching and drawing system | 2set |
10 | Web former | 1set |
11 | Embossed hot thermal bonding calendar | 1set |
12 | Winder | 1set |
13 | Slitter | 1set |
14 | Steel frame for main machine | 1set |
15 | Electrical control system ("SIEMENS" PLC control system) | 1set |
Auxiliary Equipment
SN | Item/BRAND | Quantity |
1 | Calcinator cleaner--YANCHENG | 1set |
2 | Ultrasonic cleaner--ZHANG JIA GANG | 1set |
3 | Assembly and disassembly device for spin pack | 1set |
Utility Equipment
SN | Item/BRAND | Quantity |
1 | Chiller-- HANBELL/SHUANGFENG(500000Kcal) | 1 set |
2 | Cooling tower-- HANBELL/SHUANGFENG(120Ton) | 1 set |
3 | Suction blower--FUZHOU (75KW) | 1 set |
4 | Suction blower--FUZHOU (110KW) | 1 set |
5 | Cooling blower--FUZHOU (90KW) | 2 set |
5 | Monomer blower--FUZHOU (11KW) | 2 set |
6 | Spinning Heating System--YAN CHENG (48KW) | 2 set |
7 | Calendar Heating System--YAN CHENG (72KW) | 2 set |
8 | Air Compressor--FUZHOU (11KW) | 1 set |
Main Equipment for Meltblown Section
NO. | Item | Qty | Specification |
1 | M Extruder | 1 | ф130, heating:90kw, motor 110kw |
2 | M hopper | 1 | Vacuum pump:11kw |
3 | M screenchanger | 1 | Filter mesh D:80mm. with filter200 pcs |
4 | M spin pump | 1 | 150CC,heating and running motor:4kw |
5 | M Die head | 1 | Solo entrance |
6 | M Spinneret | 2 | Hole size: 0.3mm,1"=40, Group assemble. filter mesh: 15pcs |
7 | M air heater | 1 | 500kw, tem0-300℃ |
8 | M suction blower | 1 | 160KW capacity: 60000m3/hr/ |
1 | Air pressure: 5800pa | ||
9 | M Roots blower | 1 | 160KW, capacity: 60m3/hr |
10 | Electrical panel | 1 | SIEMENS 14" touchscreen |
11 | Moving platform | 1 | |
12 | Die head up and down moving | NIL | Moving height:100mm-300mm. |
List of consumables
S.N. | Particular | Specification | Qty | |
1 | Air shaft | Ø74x 3700mm | 3nos. | |
2 | Convey belt | 31mx3.65m | 3nos. | |
3 | Pnumetic seal | 3600mm | 4nos. | |
4 | Teflone wire | 3.5mm dia | 50mtr | |
5 | Rectangular mesh | 3.2m x 3.435m | 20pcs | |
6 | Circle seal (for filter) | Ø202 x 5 (big), Ø60xØ50x4(small) | 50pcs | |
Filter(for candle filter) | Ø35x485 180mesh | 19pcs | ||
7 | Fuze | 2A,500V | 3set | |
8 | Fuze CHINT | input-3-32VAC | 5nos. | |
| solid state relay | Output-40-80A |
| |
| Schneider | load-480 VAC |
| |
9 |
| WZ-PT-100 | 3nos. | |
| temperature sensor | OD-170mm |
| |
| Yafei | ID-140mm |
| |
|
| Thk-16mm |
| |
10 |
| PT-124, 30Mpa, M22*1.5, 10V | 2nos. | |
| Pressure sensors (after-filter) | PT-492-20Mpa, 15/46, 0-20Mpa10vAC | 2nos. | |
11 | Pressure sensors | PW-806 | 1nos. | |
| Pressure indicator | REX-F-900 | 1nos. | |
12 | Xianda | CH-402 | 1nos. | |
| Temperature controller | CD-901 | 1nos. | |
13 | RKC | 0-16 Mpa | 1nos. | |
14 | Hydraullic pressure Guage | GSC1-0910 | 2nos. | |
| Contactors | GSC1-3210 | 1nos. | |
| Schneider | GSC1-5011 | 1nos. | |
15 |
| rotary model | 1nos. | |
| Photoelectric switch | OVWZ-15-2MHT |
| |
| CHINT | resolution-1500P/R-050-00 |
| |
16 | Fuze CHINT | E3F-DS-10Pi | E3F-DS-10Pi | 1nos each |
| solid state relay | U-12to24VAC | 6-36VAC |
|
| Schneider | I-200mA | 300mA |
|
|
| pnp-NU,Sn-10cm |
|
|
| Fuze CHINT | LJ12A3-4-Z/BY |
|
|
| solid state relay | 6-30VAC,200mA |
|
|
Description of Units
Dosing device
Charging device and function description
The chips are sent from the ground to the batching and mixing system on the third floor. then
The main materials and auxiliary materials can be prepared in a scientific proportion.
The batching and mixing devices are as follows: one main charging tank, two auxiliary tanks, one mixing tank and one suction device.
technical data
Additive I addition ratio: 0.5-5%
Additive II addition ratio: 0.5-5%
Additive III addition ratio: 5-50% (filling)
Maximum capacity of main materials: 500kg/h

170mm Main extruder --ZHOUSHAN
Technical Data
Screw size: Φ170
L/D ratio: 30/1
Max. Extruding capacity: 500kg/h
Rotary speed of screw: 20-80r/min
Power: 132 kw
Heating power: 110kw
No. of heating zones: 7

Edge recycle extruder--ZHOUSHAN
Technical Data
Screw size: φ105 x 15
Heating power: 12kW
Dragging power: 18.5kW
No. of heating zones: 4

Spinning machine--ALLWELL
Technical Data
Melt pre-filter --
Type: Candle style
Filter area: 3.5㎡
Candle type filter

Metering pump and its drive
Metering capacity: 300cc/r
No. of pump: 3 set
Motor power: 7.5kw
Monomer suction device
Motor power: 11kw
Size: 4070x610x1050mm

Spin pack
Material of spinneret and distribution plate: SUS431
Holes No. of spinneret: approx. 20400
Diameter of spinneret hole: Φ0.45mm
External dimension : 3510x216x30mm
L/D ratio: 4:1
Quenching and drawing system
Function
Used for the cooling and drawing of filaments, including quenching chamber, upper drawing channel, lower drawing channel, and diffusion channel. Double-side symmetric quenching is used, and the gap of the lower drawing chamber can be regulated as per the process requirements.
Technical Data
Made of section and δ=3mm mirror stainless plate
The inner clearance is adjustable
Max. working width: 3200mm
Quenching air volume: 10,000m3/h
Pressure: approx. 5000Pa
![]() | ![]() |
| Up drawing system | Down drawing system |
Web former--ALLWELL
Function
Used to supply carrier for the drawn fiber webs, including a drive system for web forming belt, a suction channel device, a sealing device, an automatic correcting device, belt tensioning device, a frame and a prepressing roller, oil furnace and web support roll.
Technical Data
Process speed: 10-350m/min
Air permeating ratio of web forming belt: approx.8000- 10000m3/h.m2

Calendar--GUANGYU OR QIAODE
Function
Used for bonding formed webs by pressure and heating.
Technical Data
Process speed: 10-350m/min
Roller width: 3600mm
Roller type: engraved upper roll and plain lower roll
Drive method: individual motor and oil furnace for each roll

Winder--ALLWELL
Function
Used for winding the webs on rolls. Including two plain rolls and two pneumatic rolls.
Technical Data
Process speed: 10-350m/min
Working width: 3200mm
Max. winding diameter: 1500mm
A.C. frequency motor for main drive, automatic tension control system
Slitter
Function
Used for cutting wound rolls. Including four pneumatic rolls
Technical Data
Mechanical speed: 10-600m/min
Working width: 3200mm
Max. Diameter of finished fabric roller: Φ1200mm
Electric Power
Control | Power | Control unit | Brand | |
Feeding equipment | Main machine | 7.5KW | Auto | Lack of raw material alarm |
Main extruder | Main machine | AC110KW | Eurothern590C | Xi'an Sima |
Cooling blower | AC1.1KW | Motor protection + contactor | ||
Temperature controller | 7 area AC380V 18KW | Solid state relay control | RKC | |
Master batch extruder | AC 0.55KW | Frequency control | Siemens | |
Additive extruder | AC 0.55KW | Frequency control | Siemens | |
Co-extruder | Main machine | AC 18.5KW | Frequency control | Siemens |
Temperature controller | 4 area AC220V 3KW | Solid state relay control | RKC | |
Recycling suction system | AC 0.75KW | Frequency control | Siemens | |
Pressure meter | Pre-filter pressure | PW 808 | ||
After-filter pressure | F 900 | RKC | ||
Filter cabin pressure | PW 808 | |||
Melting temperature display | RKC | |||
Metering Pump | Main machine | AC 5.5KW | Frequency control | Siemens |
Cooling Blower | Siemens | AC 75KW | Frequency control | Siemens |
Stretch blower | Siemens | AC 55KW | Frequency control | Siemens |
Suction blower | Siemens | AC 7.5KW | Frequency control | Siemens |
Cooling system temperature display | RKC | |||
Web former | Main system | AC 18.5KW | Eurothern590C | Xi'an Sima |
Cooling blower | AC 0.09KW | Motor protection + contactor | ||
Calender | Main system | AC 44KW | Eurothern590C | Xi'an Sima |
Cooling blower | AC 0.37KW | Motor protection + contactor | ||
Grease oil pump | AC 1.1KW | Motor protection + contactor | ||
Lifting oil pump | AC 4KW | Motor protection + contactor | ||
Oil control | Oil temperature display | RKC | ||
Rewinder | AC 15KW | Frequency control | Siemens | |
Slitter | AC 11KW | Frequency control | Siemens | |
Touch screen | 10 inches | Siemens |
What is meltblown fabric?
Meltblown fabric is a non-woven fabric made of high MFI (1200/1500/1800g/10min, Condition 2.16kg, 230℃) PP as the main raw material and made by meltblown method.
Melt blowing is a spinning method that uses high-speed hot air to rapidly stretch, solidify and shape the polymer melt that has just been extruded. The advantage is that the process flow is short, and it can be directly spun to produce non-woven fabrics.
The fiber diameter of the meltblown cloth can reach 1 to 5 microns. These ultra-fine fibers with unique capillary structure have many pores, fluffy structure and good folding resistance, which increases the number and surface area of fibers per unit area, so that the meltblown cloth has good filtration, shielding, heat insulation and oil absorption.
The most important reason why meltblown fabrics are much better than ordinary non-woven fabrics is electret treatment. Through electret treatment, PP meltblown cloth is electrostatically charged, which can effectively adsorb and block viruses.
Meltblown fabric application
Medical and sanitary cloths: surgical gowns, protective clothing, sterilization wraps, masks, diapers, sanitary napkins, etc.
Home improvement fabrics: wall stickers, tablecloths, bed sheets, bedspreads, etc.
Clothing fabrics: linings, adhesive linings, flakes, shaped cotton, all kinds of synthetic leather base fabrics, etc.
Industrial cloth: filter material, HEPA filter, insulating material, cement bag, geotextile, covering cloth, etc.
Agricultural cloth: crop protection cloth, nursery cloth, irrigation cloth, thermal insulation curtain, etc.
Others: space cotton, thermal insulation materials, linoleum, cigarette filters, tea bags, etc.
Meltblown fabric is a key material used in countless applications across many industries. For example, in the production of masks, the fabric uses meltblown PP (polypropylene) as the main raw material to manufacture the key components of masks.
TINUO can provide you with satisfactory and excellent meltblown fabric making machine to produce high quality meltblown fabric. China meltblown fabric making machine for production line factory, TINUO,offers you superior meltblown fabric making machine for production line in China for sale. Wholesale Meltblown Fabric Making Machine For Production Line with lovely price. Contact us right away for more information about Meltblown Fabric Making Machine For Production Line.
Our meltblown fabric production line has a large number of independent patents and created meltbloom fabric production line. Our meltblown line are exported to Europe, America, the Middle East, Russia and other surrounding regions. TINUO is currently one of the largest meltblown fabric making machine dealers in China. We have a dedicated staff team to ensure the best service. 24-hour online consultation. Technicians can be provided for door-to-door installation, commissioning and after-sales maintenance. Our paper bag making machine is famous all over the world for its high performance, durability and stable operation.
If you are looking for manufacturers and suppliers of meltblown fabric production line, we will provide you with the best services and products. Please feel free to contact us to learn more about the most preferential prices and more detailed product acceptance of meltblown fabric making machine. TINUO(Dingchuang Intelligent Machinery Co., Ltd.) is an expert in the field of meltblown fabric production line.
Why choose us?
- As a reliable supplier and manufacturer, we guarantee competitive pricing for our Melt Blown Nonwoven Production Line products.
- Through reasonable process layout, efficient production process and advanced testing equipment, we ensure that each Meltblown Fabric Production Line can reach the first-class level.
- Our Melt Blown Nonwoven Production Line products are competitively priced and available in bulk quantities.
- Our company has a professional production workshop, perfect sales system of production enterprises.
- We take the time to understand the needs of our customers and provide customized Melt Blown Nonwoven Production Line products to meet those needs.
- In order to meet the needs of modern high-tech, we actively introduce talents, so as to gradually form a reasonable talent echelon.
- Our Melt Blown Nonwoven Production Line products are manufactured to the highest standards, ensuring quality and durability.
- We always adhere to the strategic development of promoting production with science and technology, creating brand with quality, and creating market with brand, and realize scientific modern management. We adhere to the principles of excellent quality, excellent service and good reputation. We consistently adhere to the purpose of "returning users with ingenuity".
- We continually invest in the latest technology to ensure that our Melt Blown Nonwoven Production Line products are of the highest quality.
- Due to our rich experience and superb production technology, we firmly believe that our Meltblown Fabric Production Line is very competitive in the market.
Hot Tags: meltblown fabric production line, China meltblown fabric production line manufacturers, suppliers, factory, meltblown fabric making machine, meltblown production line, Meltblown Fabric Production Line








